自动化技术广泛用于工业、农业、军事、科学研究、交通运输、商业、医疗、服务和家庭等方面。采用自动化技术不仅可以把人从繁重的体力劳动、部分脑力劳动以及恶劣、危险的工作环境中解放出来,而且能扩展人的器官功能,极大地提高劳动生产率,增强人类认识世界和改造世界的能力。
型号及含义
K Y N 61 - 40.5 / □ - □
└─额定开断短路电流(kA)
└───额定电流(A)
└───────额定电压(kV)
└──────────设计序号
└─────────────户内
└──────────────移开式
└───────────────金属铠装
使用环境条件
环境温度上限+40°C,且24小时内测得的平均值不超过35°c.
下限-15°C:
海拔高度:海拔不超过1000米;
相对湿度:日平均值不超过95%,月平均值不超过90%;
地震烈度:不超过8度;
水蒸汽压力:日平均值不超过2.2kPa,月平均值不超过90%。
技术参数
真空开关柜主要技术参数
序号 | 项目 | 量位 | 参数 |
1 | 额定电压 | kV | 40.5 |
2 | 联畅 | A | 12501600 2000 |
3 | 额定频率 | Hz | 50 |
4 | 额定短时耐受电流 | kA | 20 25 31.5 |
5 | 额定峰值耐受电流 | kA | 50 63 80 |
6 | 额定工频耐受电压 | kV | 95/1 min |
7 | 额定雷电冲击耐受电压 | kV | 185 |
8 | 额定短路持续时间 | S | 4 |
9 | 防护等级 | IP3X |
真空断路器主要技术参数
序号 | 项目 | 织位 | 参数 |
1 | 额定电压 | kV | 40.5 |
2 | 额定频率 | Hz | 50 |
3 | 额定工频耐受电压 | kV | 95/lmin |
4 | 额定雷电冲击耐受电压 | kV | 185 |
5 | 额定电流 | A | 12501600 2000 |
6 | 额定短时耐受电流 | kA | 20 25 31.5 |
7 | 额定短路开断电流 | KA | 20 25 31.5 |
8 | 额定峰值耐受电流 | kA | 50 63 80 |
9 | 额定短路持续时间 | ms | 4 |
10 | 分闸时间 | ms | 30 S 1 W 60 |
11 | 合河时间 | ms | 50 & t W 】00 |
12 | 88定短路开断电流次数 | 次 | 20 |
13 | 机械寿命 | 次 | 10000 |
弹簧操动机械主要技术参数
名称 | 单位 | 数值 | |
额定操作电压 | 分闸线圈 | V | DC220/110 AC220/110 |
合闸线圈 | |||
额定操作电流 | 分闸线圈 | A | O.96(22OV)1.O5I11OV) |
合闸线圈 | |||
储能电机功率 | W | 230 | |
储能电机额定电压 | V | DC220/110 AC220/110 | |
储能时间 | S | w 12 |
开关柜结构特点
开关柜按GB3906-1991和IEC298中铠装式金属封闭开关设备标准而设计。整体由柜体和可抽出部分(手车)两部分组成。柜体结构为组装式,用螺栓栓接组合成型。用金属隔板将开关柜内部分隔为断路器室、主母线室、电缆室和继电器仪表室。外壳防护等级达到IP3X,各隔室间防护等级为IP2X,并且所有金属结构件可靠接地,主回路系统的各隔室有独立排气的压力释放通道。
1.外壳与隔板
开关柜的外壳和隔板是用冷轧钢板经数控机床加工和折弯之后栓接而成。因此装配好的开关柜能保证结构尺寸的统一性。开关柜被隔为断路 器室室、主母线室、电缆室和继电器仪表室,各部分以接地的金属隔板分隔。
2.手车
手车根据用途可分为断路器手车、电压互感器手车、计量手车、隔离手车等,各类手车的外形尺寸相同,相同用途的手车具有互换性
手车在柜内有试验/隔离位置和工作位置,每一位置都设有联银装置以保证手车处于以上两位置时不能随便移动。
3.断路器隔室
断路器隔室内安装了特定的轨道供手车移动。断路器在试验位置气工作位置之间移动时,隔离活门自动打开或关闭,保障了工作人员不
触及带电体。手车可在柜门关闭的情况下被操作,通过观察窗可看到手车在柜内所处的位置,同时看到手车上的任何功能标志。
4.母线小室
主母线从一个开关柜引至另一个开关柜通过分支小母线和静触头盒固定,在穿越邻柜侧板时用母线套管固定。全部母线采用复合绝缘方式。
5.电缆隔室
电缆室内可安装PT、接地开关、避雷器和多根电缆。
6.继电器室
继电器室内板和面板可安装控制、保护元件、计量、显示仪表、带电监别指示器等二次元件。
7.联锁装置
开关柜具有可靠的联锁装置,切实保障了操作人员及设备的安全:
![]() | ![]() | ![]() |
| 推进联锁装 | KYN61-40.5(Z)铠装式手车柜 | 接地开关 |
当接地开关在分闸位置时,手车才能从试验/隔离位置移至工作位置:且后门不可打开,防止了误入带电间隔。
当手车完全拉出柜外时或手车在柜内试验/隔离位置目接地开关联锁解锁员时,可以进行接地开关合闸操作;手车在工作位置时,不能闭合接地开关。防止了带电误合接地开关,阻止了接地开关处在闭合位置时多手车移至工作位置。
断路器手车在试验/隔离位置或工作位置时,才能操作断路器:且断路器名闸后,手车无法移动,防止了带电负荷误推拉断路器。各柜体间可装电气联锁。
接地装置
在电缆室内,单独设有6x50mm2的接地母线,此母线能贯穿相邻各柜,与柜体良好接触。
主接线方案
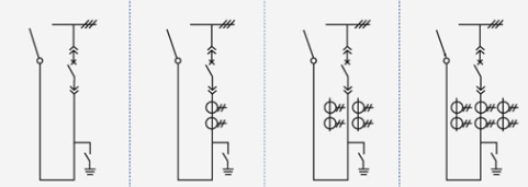
开关柜的一次接线方案有27个常用典型方案,能满足用户电缆进出线、架空进出线,联络及测量、保护等的需要,若有不同与现有方案的其他方案的需要,请与厂方协商。
方案号 | 01 | 02 | 03 | 04 | |
主接线图 | ![]() | ||||
主要电器设备 | 额定电流 | 125,016,002,000 | |||
新路器 ZN85-40.5 | 1 | 1 | 1 | 1 | |
电流互感器 LDBJ8(9)-35 | 2 | ||||
接地开关IN22-40.5/31.5 | 1 | 1 | 1 | 1 | |
用途 | 架空出线 | 架空出线 | 架空出线 | 架空出线 | |
方案号 | 05 | 06 | 07 | 08 | |
主接线图 | ![]() | ||||
主要电器设备 | 额定电流 | 125,016,002,000 | |||
新路器 ZN85-40.5 | 1 | 1 | 1 | 1 | |
电流互感器 LDBJ8(9)-35 | 2 | 3 | |||
接地开关IN22-40.5/31.5 | 1 | 1 | 1 | 1 | |
用途 | 电缆出线 | 电缆出线 | 电缆出线 | 电缆出线 | |
方案号 | 09 | 10 | 11 | 12 | |
主接线图 | ![]() | ||||
主要电器设备 | 额定电流 | 125,016,002,000 | |||
新路器ZN85-40.5 | 1 | 1 | 1 | 1 | |
电流互感器LDBJ8(9)-35 | 1 | 2 | 3 | ||
用途 | 左(右)联络 | 左(右)联络 | 左(右)联络 | 左(右)联络 | |
方案号 | 13 | 14 | 15 | 16 | |
主接线图 | ![]() | ||||
主要电器设备 | 额定电流 | 125,016,002,000 | |||
新路器 ZN85-40.5 | |||||
电流互感器 LDBJ8(9)-35 | 1 | 2 | 3 | ||
用途 | 联络 | 联络 | 联络 | 联络 | |
方案号 | 17 | 18 | 19 | 20 | |
主接线图 | ![]() | ||||
主要电器设备 | 额定电流 | 125,016,002,000 | |||
新路器ZN85-40.5 | 1 | 1 | 1 | 1 | |
电流互感器LDBJ8(9)-35 | 1 | 2 | 3 | ||
用途 | 电缆进线 | 电缆进线 | 电缆进线 | 电缆进线 | |
方案号 | 21 | 22 | 23 | 24 | |
主接线图 | ![]() | ||||
主要电器设备 | 额定电流 | 125,016,002,000 | |||
新路器ZN85-40.5 | 1 | 1 | 1 | 1 | |
电流互感器LDBJ8(9)-35 | 1 | 2 | 3 | ||
用途 | 架空进线 | 架空进线 | 架空进线 | 架空进线 | |
方案号 | 25 | 26 | 27 | 28 | |
主接线图 | ![]() | ||||
主要电器设备 | 额定电流 | 125,016,002,000 | |||
电压互感器 LDX9-35 | |||||
熔断器 XPNP-35 | 2 | 3 | 2 | ||
避雷器 YH5WS-51/134Q | 3 | ||||
| 变压器SCB9-50-35/0.4 | 1 | ||||
用途 | 电压互感器 | 电压互感器 | 站用变 |
| |
开关柜结构外形尺寸和示意图
![]() | ![]() |
| 外形尺寸(宽 x深x高):1400x2800x2600 | 开关柜结构示意图A继电器仪表室 B母线室 C断路器室 D缆 |
开关柜安装
1.电器室的高度:≥4500mm:
2.柜后距墙距离:≥1500mm;
3.基础构架的平面度:≤1mm/m?;
4.基础预埋槽钢高出地面部分不得超过3mm;
5.可用螺栓或焊接方式固定在基础上:
6.开关柜重量约1800Kg:
7.开关柜操作走廊宽度(单列):≥3000mm,双列(面对面)≥4000mm.
产品一致性
次线路主方案编号、单母线系统图、排列图及平面布置图;
二次回路电气原理图及端子排列图:
开关柜电器元件的型号、规格及数量;
主母线、分支母线的规格及材质:
备品、备件的名称及数量:
特殊要求同厂方商定。
因产品技术需不断改进,所有数据应以本厂技术部门最新确认为谁,如有变动,恕不另行通知。
订货须知
用户订货时应提供下列技术资料:
主接线方案图、用途和单线系统图:额定电压:额定电流:额定短路开断电流:配电室平面布置图及开关设备的排列配置图等。
标明进出线电缆的规格。
开关设备控制、测量及保护功能的要求以及其他闭锁和自动装置的要求。
开关设备内主要电器元件的型号、规格及数量。如开关设备之间!或进线柜需要母线桥连接,应提供母线桥的额定载流量、母线桥的跨度距地高度等具体要求数据。
开关设备应用在特殊环境时,应在订货时详细说明。
其他特殊要求。
开关柜安装基础示意图
